Electrical Characteristics |
Standard Resistance Range :
.............................................................................
10W~2MW |
Absolute Minimum Resistance :
....................................................................
£1%R or 2W |
Insulation Resistance :
.......................................................................... R¹³1GW(100Vac) |
Effective Electrical Travel :
............................................. (³70%
of total mechanical travel) |
|
Environment Characteristics |
Power Rating 250V max :
.................................................. +70°C
0.25W , +125°C 0W |
Temperature Coefficient :
......................................................................
±100, ±250ppm/°C |
Rotational Life :
.............................................................................
(200 cycles)
DR£10%R |
Collision :
...................................................................... 390m/s²
, 4000 cycles
DR£±1%R |
Electrical endurance at 70°C :
....................................................... 0.5W, 1000h
DR£10%R |
Vibration :
....................................................................................
10~200Hz, 0.75mm , 6h |
.........................................................................
DR£±1%R,
D (Uab/Uac) £±2% |
|
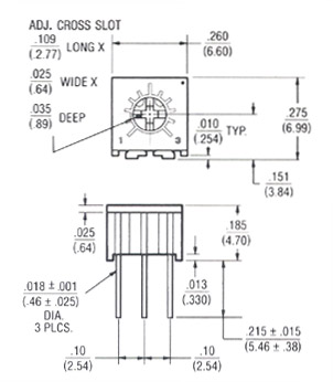
Physical
Characteristics
|
Total Mechanical Travel
:
.....................................................................................
250°±10° |
Starting Torque :
..............................................................................................
£20mN.
m |
Resistance Tolerance
:
...............................................................................................
±10% |
Contact Resistance Variation
:
........................................................................
£3%R or 3W |
Withstand Voltage :
..................................................... 101.3KPa 500Vac, 8.5KPa
315Vac |
Temperature Range :
.....................................................................................
-55°C~+125°C |
Temperature Variation :
...........................................-55°C, 30min,
+125°C, 30min 5 cycles |
.................................................... DR£±2%R ,
D(Uab/Uac) £±1% |
Constant Damp-heat :
...................................................................
DR£±3%R,R¹³100MW |
Climate Category :
........................................................................
DR£±3%R,R¹³100MW |
Standard Packaging :
...................................................................................
50Pcs Per Tube |
Stopping Torque :
.............................................................................................. ³50mN.m |
|
DOWNLOAD
3362 SPECIFICATION |
 |